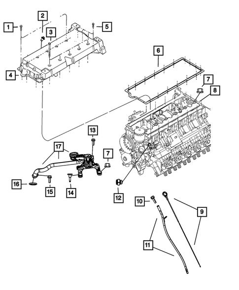
Engine Oiling, Oil Pan and Indicator (Dipstick) for 2008 Dodge Viper
No.
Part # / Description / Price
1
Hex Head Bolt And Washer, Mounting
Mopar
MSRP $2.95
Mopar M8X1.25X35.00. Water Pump To Timing Case Cover To Cylinder Block
2
Oil Drain Plug
Mopar
MSRP $15.85
Mopar 170 hp. With Gasket. For 05184513AC Oil Pan. Use 10-23-02 And After. Use 10-28-02 And After. [M14x1.50x21.50].
3
Hex Head Locking Bolt, Mounting
Mopar
MSRP $12.70
Mopar M8X1.25X119.00. Front Timing Case Cover To Cylinder And Slide Bushing Block
7
Hex Nut-coned Washer Nut And Washer
Mopar
MSRP $11.30
Mopar Hex Nut And Washer, Mounting
M8 x 1.25. Liquid Line/Filter Drier to Shock Tower Mounting
10
13
Hex Head Bolt And Coned Washer, Mounting
Mopar
MSRP $8.65
Mopar M8X1.25X25.00. Oil Pickup Tube To Timing Case Cover
14
No.
Part # / Description / Price
No.
Part # / Description / Price


