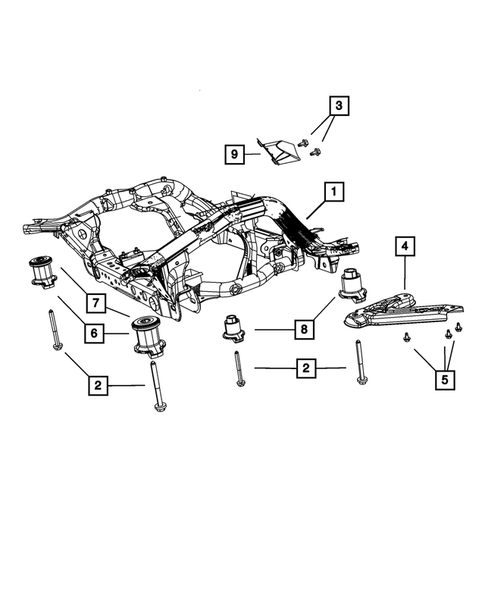
Front Suspension, Strut and Cradle for 2011 Dodge Durango
No.
Part # / Description / Price
3
Hex Flange Lock Nut, Mounting
Mopar
MSRP $3.55
Mopar Hex Flange Lock Nut
M12x1.75. Engine Mount To Engine Mount Bracket
5
Hex Flange Head Bolt
Mopar
MSRP $8.80
Mopar M14X1.50X100.00. Lower Control Arm To Craddle Forward Position
6
Tie Rod End Package, Drag Link
Mopar
MSRP $6.45
Mopar Hex Lock Nut
When stock is exhausted order 52122362AA Rod & Link Assy. & 52122370AA Damper Assy.
8
Hex Flange Lock Nut, Mounting
Mopar
MSRP $9.00
Mopar Hex Flange Lock Nut
M14x1.50. Outer Cover To Inner Cover
9
Hex Flange Head Bolt, Mounting
Mopar
MSRP $21.40
Mopar Hex Flange Head Bolt
M14x1.50x40.00. Caliper Adapter to Knuckle
10
Hex Nut And Washer, Mounting
Mopar
MSRP $15.35
Mopar Hex Nut And Washer
M16X1.50. Lower Control Arm Ball Joint To Knuckle
11
12
14
15
Hex Flange Lock Nut, Mounting
Mopar
MSRP $12.60
Mopar Hex Flange Lock Nut
M16x2.00. Lower Control Arm to Cradle
24
Hex Flange Lock Nut, Right & Left, Rear
Mopar
MSRP $7.80
Mopar Hex Flange Lock Nut
M12x1.25. Rear Shock to Mount
No.
Part # / Description / Price
3
Transmission Oil Cooler Package
Mopar
MSRP $2.95
Mopar Hex Head Bolt And Coned Washer
Mopar Service Kit for Heavy Duty Cycle Operation. For Extreme Heat Conditions Only. Includes: Cooler, Bracket,U-Nut,Screw,Washers
5

