Rear Suspension for 2003 Dodge Ram 1500
No.
Part # / Description / Price
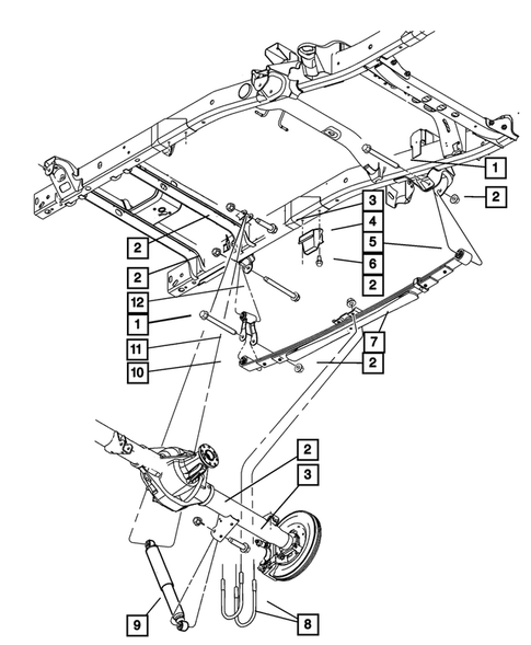
1
Truss Head Screw, Mounting
Mopar
Mopar Pilot Point Screw, Mounting
M14X2.00X121. Spring to Frame and Shackle
3
Hex Flange Head Bolt
Mopar
MSRP $17.95
Mopar Hex Flange Head Bolt, Mounting
M14x2.00x90.00. Front Shock Absorber To Lower Control Arm
6
12
Hex Flange Head Bolt, Mounting
Mopar
MSRP $16.90
Mopar Hex Flange Head Screw, Mounting
M14x2.00x130.00. Shackle to Frame
2 This part contains hazardous materials. Extra shipping costs apply.
No.
Part # / Description / Price
5
Hex Flange Head Bolt
Mopar
MSRP $17.95
Mopar Hex Flange Head Bolt, Mounting
M14x2.00x90.00. Front Shock Absorber To Lower Control Arm
7

